Le bouton poussoir

Premier composant d'interaction entre l'homme et la machine, le bouton poussoir n'est si simple à mettre en œuvre.


Objectif

Dans un premier temps, le montage proposé n'a qu'une diode qui est pilotée par un bouton poussoir. Programme et montage doivent ensuite être modifiés pour que les diodes fonctionnent en alternance sans ajouter de résistance.


Logigramme

On dispose du losange qui symbolise deux déroulement possibles. Pour cela, la formule à inscrire ne doit avoir que deux issues possibles : oui ou non.

On défini deux broches:

Pour l'instant, la numérotation des broches est sans grande importance mais cela le deviendra par la suite.

Je retiens


Programmation

On a une entrée sur la broche n°3 et une sortie sur la broche n°8.

Je retiens


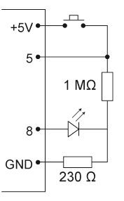
Circuit

Avant de réaliser le circuit, regardons ce que l'intuition nous suggère.

Si on réalise ce montage, on va avoir un dysfonctionnement : le fil qui va de la broche n°5 au bouton-poussoir devient une antenne ! Captant des signaux, il envoie un signal , même très faible, que l'Arduino va interpréter comme une validation du bouton-poussoir. Il faut donc relier de fil au GND pour absorber ce signal.

On retrouve les broches n°3 et 8.


Je retiens


Montage

On tentera toujours de mettre un jumper rouge de coté du +5V et un bleu au GND.

Je retiens


Téléversement

Après avoir connecter la carte avec la cordon USB, il faut sélectionner le port et le type de carte 'menu "outils").

Il suffit de cliquer sur le deuxième bouton pour envoyer le programme dans la carte.

Une erreur de chargement se traduit par message orange en bas de l'IDE.

Note : il arrive parfois qu'une erreur soit due à un faux contact. Dans ce cas, il suffit de débrancher et rebrancher plusieur fois le cordon pour obtenir un contact franc. Dans ce cas, il faut reprendre la procédure de sélection du port.


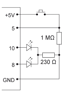
Deuxième montage

Objectif

Maintenant que l'on a notre montage qui fonctionne, il faut le modifier en ajoutant une diode qui sera allumée lorsque l'autre est éteinte et vice versa.


Circuit

Il est inutile de rajouter une résistance pour la seconde diode puisque les deux diodes ne seront jamais allumées simultanément.


Programme

Il suffit de mettre la briche n°10 sur High lorsque la 8 est sur LOW et inversement.


Montage

Il faut prendre son temps lorsqu'on modifie un montage pour ne pas perdre de vue son fonctionnement initial.

Je retiens